Odvaděč kondenzátu plovákový GESTRA UNA 27h

Odvaděč kondenzátu plovákový GESTRA UNA 27h

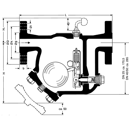
Catalog sheet

  • Connectionpřírubové, přivařovací
  • Operatingbez ovládání
  • Material1.5419
  • DN (mm)25, 40, 50
  • P (bar)63
  • T min (°C)0°C
  • T max (°C)450°C

Quality

The satisfaction of our customers stems from the quality of our employees and manufacturers.

Price

We respond to competition and its low prices.

Term

We always meet the delivery deadline to your address.

Guarantee

We guarantee high quality products

COREX Pardubice s.r.o.

Mnětická 442, (map)

530 03 Pardubice - Nemošice,
Česká republika

+420 466 304 300
info@corex-pardubice.cz

We are on social media

Your browser (Internet Explorer) is outdated.

It no longer releases updates for Windows. Download one of these current, free, and excellent browsers: